Клапан игольчатый трехходовой КЗИТ - предназначен для присоединения измерительного прибора к магистрали с рабочей средой, сброса давления и слива среды при демонтаже прибора, а также подключения контрольного манометра.
Последние новости
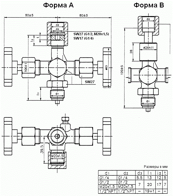
КЗИТ-25Л- форма А (стяжная муфта) - клапан трехходовой игольчатый
Латунь, РN 25МПа, t раб.среды: -20…+160 С, резьбы: в процесс - нар. G1/2; М20х1,5, к прибору - стяжная муфта G1/2; М20х1,5, под контр.манометр - нар. М20*1,5. Доставка по РФ.
4300руб.
шт.
Купить
Подробное описание
Технические характеристики
Материал корпуса
Латунь
Уплотнение
PTFE (фторопласт Ф-4)
Предельное давление, МПа
25
Диапазон температур, °С
-20..+160
Резьба под магистраль / под прибор
наруж G1/2" / внутр G1/2", наруж М20х1,5 / внутр М20х1,5
Штуцер под прибор
форма А - стяжная муфта по DIN16283 / форма В - ниппельное соединение с накидной гайкой по DIN 16284
Резьба под контрольный манометр
наруж М20х1,5 с заглушкой
Масса
0,88 кг











